中文 | English
EC 系列CO2 激光管

EC Series CO2 laser tube

The Xinrui Laser EC series CO2 laser tube is an enhanced CO2 laser tube with a long lifespan, developed by our company after years of research. It boasts high power, a thin beam, and stable emission performance. The discharge tube is coated with a catalyst, significantly extending its working life. Compared to similar products, it offers advantages such as compact size, excellent spot pattern, and fast cutting speed. This series of products comes with a 12-month warranty and can be fully compatible with our existing power supply and lens series products, ensuring more stable use and a longer lifespan. Applicable fields: cutting of organic materials, cloth, leather, wood panels, acrylic, glass, etc.

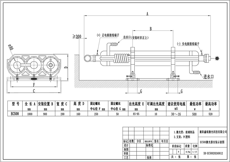
Technical Parameters

04515f4e-e0fd-4d06-aace-1f7b0a40f14c.png68337a7a-2529-464c-b618-993280f256de.png