中文 | English
ES系列CO2 激光管

ES Series CO2 laser tube

The Xinrui Laser ES series CO2 laser tube is an enhanced CO2 laser tube with a long lifespan, developed by our company after years of research. It boasts high power, a thin beam, and stable emission performance. The discharge tube is coated with a catalyst, significantly extending its working life. Compared to similar products, it offers advantages such as compact size, excellent spot pattern, and fast cutting speed. This series of products comes with a 12-month warranty and can be fully compatible with our existing power supply and lens series products, ensuring more stable use and a longer lifespan. Applicable fields: cutting of organic materials, cloth, leather, wood panels, acrylic, glass, etc.

Technical Parameters

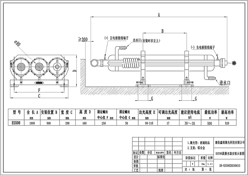
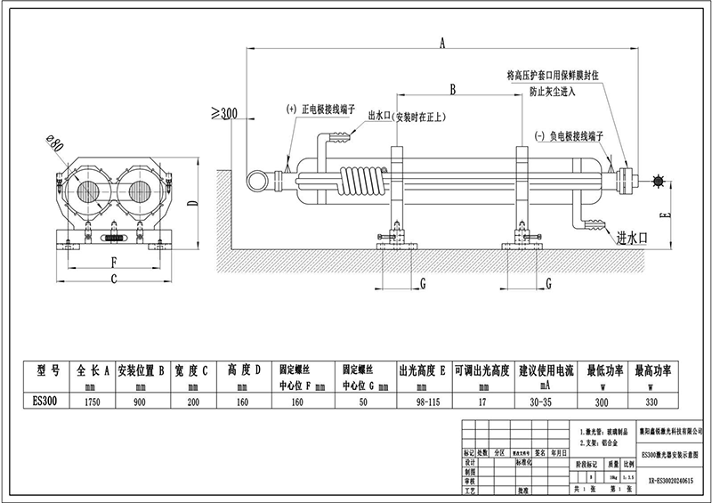
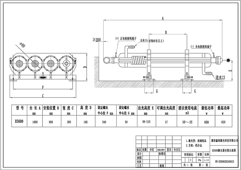
77f48df6-428f-4e90-beb2-438d378d594e.png28ea5cbe-a13a-4add-8d0f-55e91835fb5e.pngd1626d2f-c3bc-4f24-93a2-a2178489ff73.png